Retour au sommaire en cliquant sur l'onglet Documentation en haut de la page.
![]() Unité centrale MO5 version 0 |
![]() Unité centrale MO5 version 1 |
![]() Unité centrale MO5 version 2 |
![]() Unité centrale MO5 version 3 |
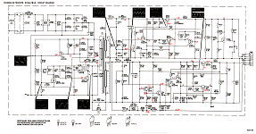
![]() Alimentation du MO5 |
![]() Unité centrale MO6 |
![]() Alimentation du MO6 |
![]() Unité centrale TO7 |
![]() Alimentation du TO7 |
![]() Unité centrale TO7/70 |
![]() Alimentation du TO7/70 |
![]() Unité centrale TO9 |
![]() Alimentation du TO9 |
![]() Unité centrale TO8 |
![]() Alimentation du TO8 |
![]() Unité centrale TO8D |
![]() Alimentation du TO8D |
![]() Unité centrale TO9+ |
![]() Alimentation du TO9+ |
![]() Magnétophone MK90-090 v1 & v2 |
![]() Magnétophone MK90-090 v3 |
![]() Magnétophone MK97-070 |
![]() Magnétophone MK50-090 |
![]() Magnétophone MK50-050 |
![]() Magnétophone du MO6 |
![]() Lecteur-enregistreur de disquette UD90-070 |
![]() Contrôleur de disquette CD90-015 |
![]() Lecteur-enregistreur de disquette DD90-352 |
![]() Quick Disk Drive QD90-128 |
![]() Contrôleur de QDD CQ90-128 |
![]() Imprimante PR90-040 |
![]() Imprimante PR90-055 |
![]() Imprimante PR90-080 |
![]() Imprimante PR90-582 |
![]() Imprimante PR90-600 |
![]() Extension mémoire EM90-016 |
![]() Extension mémoire EM97-064 |
![]() Extension mémoire RAM64-NR5 |
![]() Contrôleur de communication CC90-232 |
![]() Contrôleur RS232 RF57-932 |
![]() Extension incrustation IN57-001 |
![]() Contrôleur de jeux - CJ90-101 |
![]() Contrôleur d'extensions modèle 2 - SX90-018 |
![]() Moniteur monochrome MB09-831 |
![]() Moniteur monochrome MB90-025 |
![]() Moniteur couleur MC90-025 |
![]() Moniteur couleur MC9J-936 |
![]() Moniteur couleur MC09-200 |
![]() Codeur modulateur SECAM MS90-100 |
![]() Crayon optique CR50-001 |
![]() Crayon optique CR50-012 |